Заказать звонок
Ваш регион:
Москва
Перейти на старый сайт

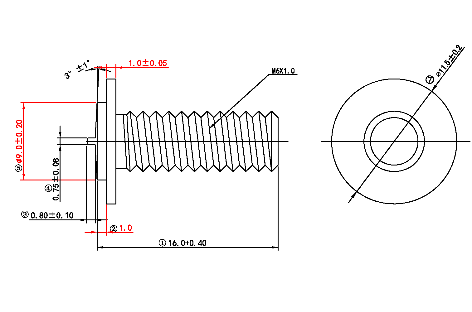
11-06-016-FL 11.5 ШПИЛЬКА РЕЗЬБОВАЯ СТАЛЬНАЯ омедненная CD M6 x 16 с увеличенным фланцем 11,5 мм (болт заземления)

11-06-016-FL 11.5 ШПИЛЬКА РЕЗЬБОВАЯ СТАЛЬНАЯ омедненная CD M6 x 16 с увеличенным фланцем 11,5 мм (болт заземления)

11-06-016-FL 11.5  ШПИЛЬКА РЕЗЬБОВАЯ СТАЛЬНАЯ омедненная CD M6 x 16 с увеличенным фланцем 11,5 мм (болт заземления)
3 051.91 ₽ /
1000 шт.
  • Описание

    Преимущества перед стандартными приварными шпильками тип CD:

    Надежное электрическое и механическое соединение
    Идеальное заземляющее соединение (полный контакт по всему фланцу болта заземления)
    Не требуется дополнительной (второй) шайбы.
    Никаких повреждений (вмятин) на  заготовке после приварки: заземляющее соединение устанавливается только на фланце шпильки, при этом на заготовку не оказывается воздействия.

    Преимущества над шпильками тип SC (короткий цикл):



    После приварки не происходит изменения цвета и появления следов на обратной стороне заготовки, даже на тонких металлических листа
    Короткое время сварки (< 3 мс) - никаких механических повреждений на заготовке.
    Необходимое напряжение 230В


    Сферы использования: системы электрического заземления, контакты.

    Электрические конструкции помещений, корпуса электрических приборов, медицинские и пищевые технологии, (коммерческие) кухни, лифтовые системы, трубопроводные системы, автомобилестроение.

  • Характеристики
    Тип крепежа
    Болт заземления
    Способ приварки
    Конденсаторная сварка крепежа CD
    Материал крепежа
    Омедненная сталь
    Артикул
    11-06-016-FL
    Наличие резьбы у крепежа
    Да
    Длина (мм)
    16
    Диаметр резьбы
    6
    Внешний диаметр
    6
    Фасовка
    1000 шт
  • Чертежи
  • Номенклатура

    Болты заземления CD (омедненные)

    M6 M8
    16 11-06-016-FL
    20 11-08-016-FL 11-08-020-FL
82-50-008 82-50-008
82-50-006 82-50-006
82-50-005 82-50-005
82-50-004 82-50-004