Заказать звонок
Ваш регион:
Москва
Перейти на старый сайт

AS-M5-2 Гайка резьбовая М5 стальная оцинкованная

AS-M5-2 Гайка резьбовая М5 стальная оцинкованная

  • Описание

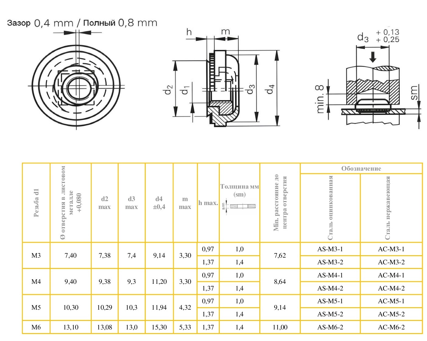
    Гайки запрессовочные, резьбовые выполнены из нержавеющей стали.  Предназначены для крепления несоосных отверстий (радиальное перемещение до 0,8 мм).   Устанавливают в предварительно подготовленное (пробитое или просверленное) отверстие в тонком металлическом листе твердостью до HRB 70. посредством пресса. Монтируемая часть гайки целиком погружается в заготовку, а деформируемый материал проникает в специальную выемку на крепеже. Что создает прочное, устойчивое к прокрутке соединение.

  • Характеристики
    Тип крепежа
    Гайка запрессовочная
    Материал крепежа
    Оцинкованная сталь
    Тип запрессовочного крепежа
    AS плавающая оцинкованная сталь
    Артикул
    AS-M5-2
    Наличие резьбы у крепежа
    Да
    Наличие покрытия заготовки
    Нет
    Длина (мм)
    4.32
    Диаметр резьбы
    5
    Внешний диаметр
    11.94
    Фасовка
    1000 шт
    Внутренний диаметр
    10.29
  • Чертежи
  • Номенклатура

    Гайка запрессовочная AS

    M3 M4 M5 M6
    1 AS-M3-1 AS-M4-1 AS-M5-1
    2 AS-M3-2 AS-M4-2 AS-M5-2 AS-M6-2
S-M6-0 S-M6-0
B-M5-2 B-M5-2
F-M6-5 F-M6-5
KPS6-M3-06 KPS6-M3-06